10年专注自动化控温技术解决方案制造商-源头工厂
首页
关于我们
企业简介
发展历程
企业文化
企业荣誉
新闻动态
招贤纳士
产品与服务
CS6系列数显电力调整器
CS8数显小功率调功器
CH系列小体积调功器
FC系列三相电力调整器
W系列单相电力调整器
大功率调功器
温控表
固态继电器
浮球液位开关
流量开关
水流开关
液位探针
磁感应式接近开关
模拟量传感器
资讯中心
行业资讯
电加热新闻
公司资讯
下载中心
应用案例
注塑/橡塑机食品加工应用
自动化和涂装设备应用
工业电炉烤箱/玻璃工业应用
光伏/通讯行业应用
新能源电池设备应用
石油/化工设备应用
中央空调系统应用
环保行业设备应用
发电厂应用
医疗设备应用
船舶航空应用
联系我们
搜索
导航
首页
关于我们
企业简介
发展历程
企业文化
企业荣誉
新闻动态
招贤纳士
产品与服务
CS6系列数显电力调整器
CS8数显小功率调功器
CH系列小体积调功器
FC系列三相电力调整器
W系列单相电力调整器
大功率调功器
温控表
固态继电器
浮球液位开关
流量开关
水流开关
液位探针
磁感应式接近开关
模拟量传感器
资讯中心
行业资讯
电加热新闻
公司资讯
下载中心
应用案例
注塑/橡塑机食品加工应用
自动化和涂装设备应用
工业电炉烤箱/玻璃工业应用
光伏/通讯行业应用
新能源电池设备应用
石油/化工设备应用
中央空调系统应用
环保行业设备应用
发电厂应用
医疗设备应用
船舶航空应用
联系我们
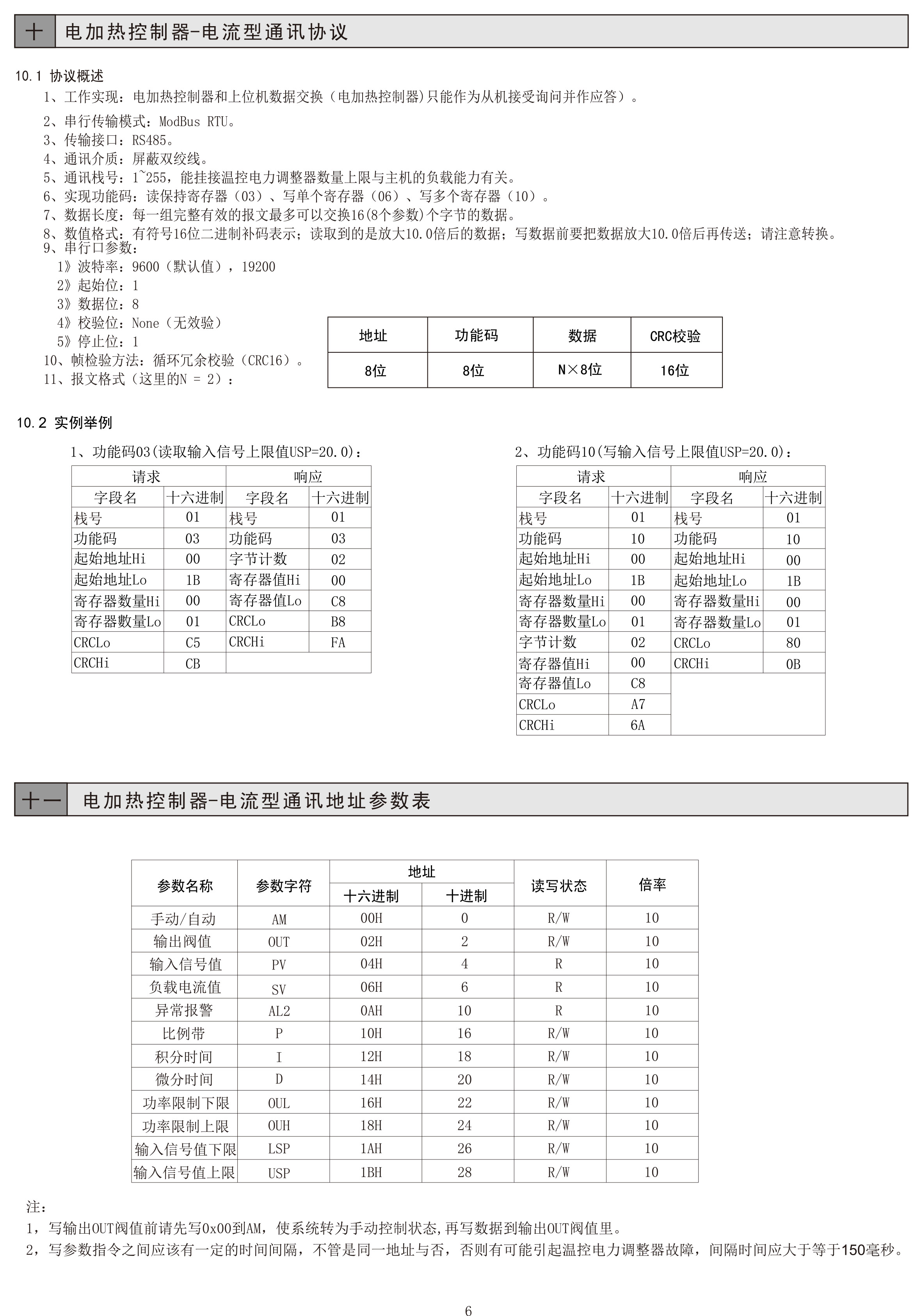
CS6单相三相40A数显SCR调功器带通讯
【CS6系列数显电力调整器】
产品介绍
兴乾电子厂家电力调整器CS6系列单相三相数显SCR调功器带通讯广泛应用于各产业设备:如高温锅炉、玻璃钢化炉、高温陶瓷窑炉、电热铜炉、粉末冶金、真空电镀、金属热处理、纤维染色加温设备、物理化学仪器、电力型电压输送设备、变压器一次侧控制、灯光控制系统、塑料压出机、UV/IR 红外线灯管加热、干燥机、电线电缆机械、模具加热、塑料皮革、贴合机、吸塑机、食品机械、鞋材成型机械、恒温试验、无尘室恒温恒湿控制等各种工业加热控制!
首页
|
关于我们
|
产品与服务
|
资讯中心
|
下载中心
|
应用案例
|
联系我们
全国咨询热线:188-25797965
cheng@xingqiandz.com
东莞市兴乾电子科技有限公司 All rights reserved
备案号:
粤ICP备2023010900号-1
公司营销地址:广东省东莞市厚街镇金莹二街5号1号楼401-402室,工厂地址:广东省东莞市东城区温塘社区石羊街268号4楼
分享到: